Druckbehälter aus Stahl, -ungebraucht-
| Attribute | Wert |
|
Artikelnummer |
12-169G |
|
Kurzbezeichnung 1 |
Druckbehälter aus Stahl, -ungebraucht- |
|
Technische Daten / Maße |
|
|---|---|
| Attribute | Wert |
|
Stückzahl |
1 |
|
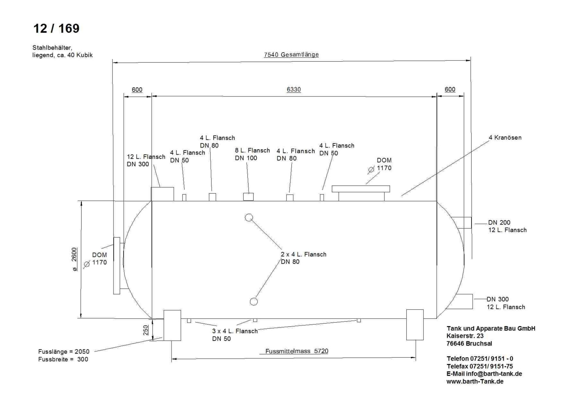
Volumen |
38000 Liter |
|
Behälterart |
Drucktank |
|
Zustand |
ungebraucht |
|
Bauform |
liegend oberirdisch |
|
Innenbeschichtung |
keine/roh |
|
Oberflächenbehandlung außen |
lackiert |
|
Farbe Lack |
Grün |
|
Durchmesser außen |
2600 mm |
|
Zylindrische Länge |
6330 mm |
|
Gesamtlänge |
7540 mm |
|
Gewicht |
12100 kg |
|
Betriebsdruck |
Überdruck |
|
Ausstattung |
|
| Attribute | Wert |
|
Standform |
Lagerschalen |
|
Anzahl |
2 |
|
Befestigung |
fest |
|
Unterboden |
2 Flanschstutzen DN 50 |
|
Hinterer Boden |
1 Flanschstutzen DN 200 |
|
Bodenart |
gewölbter Boden |
|
Skizze vorhanden |
1 |
|
Behälterdokumentation vorhanden |
ansonsten gem. Skizze |