Rührwerksbehälter aus Edelstahl (V2A), isoliert
| Attribute | Wert |
|
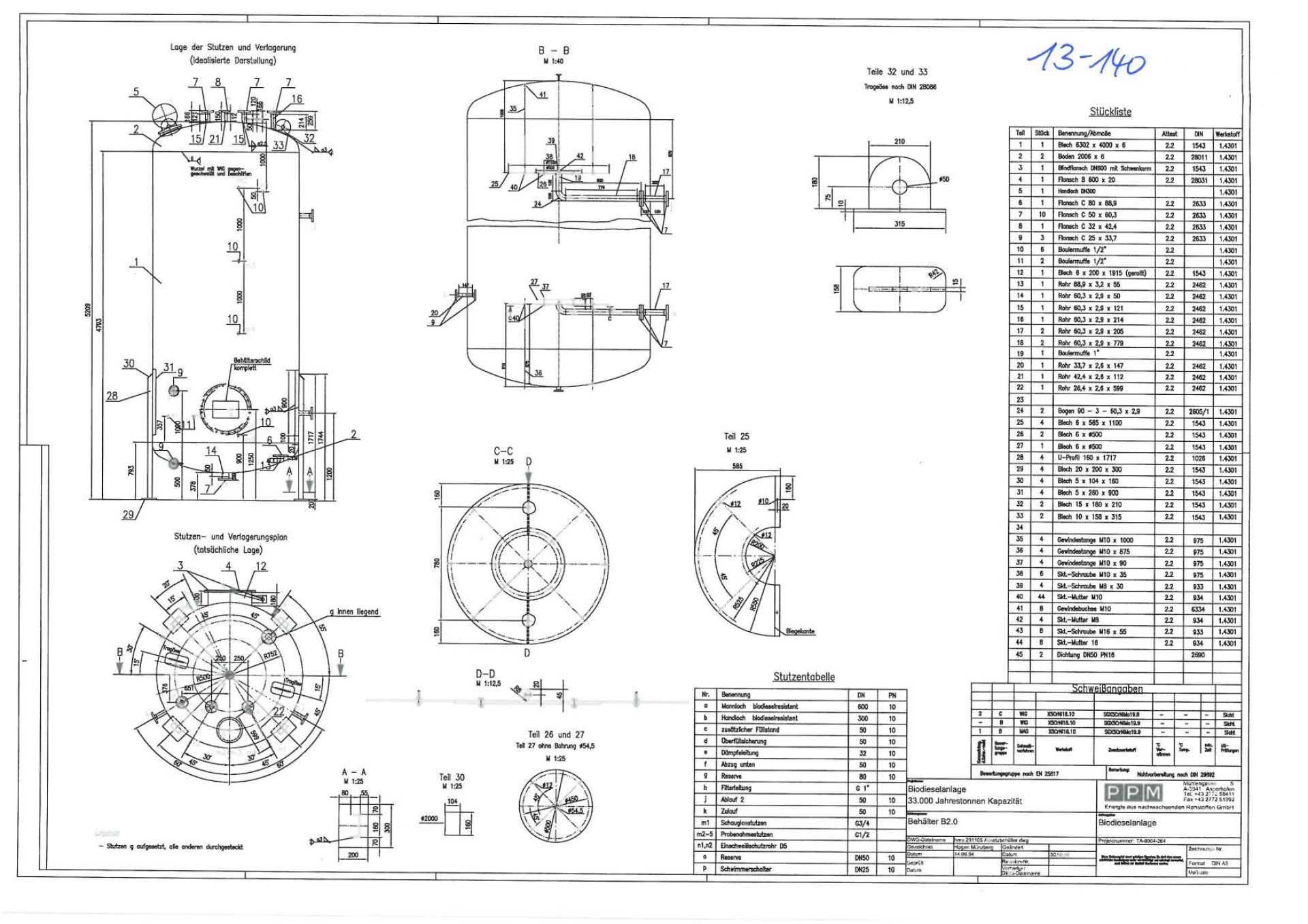
Artikelnummer |
13-140G |
|
Kurzbezeichnung 1 |
Rührwerksbehälter aus Edelstahl (V2A), isoliert |
|
Technische Daten / Maße |
|
|---|---|
| Attribute | Wert |
|
Stückzahl |
1 |
|
Volumen |
2309 Liter |
|
Behälterart |
Rührwerksbehälter |
|
Zustand |
gebraucht |
|
Bauform |
stehend |
|
Anmerkung |
Ehem. Biodieselbehälter |
|
Innenbeschichtung |
keine/roh |
|
Durchmesser außen |
1400 mm |
|
Zylindrische Höhe |
1500 mm |
|
Gesamthöhe |
2560 mm |
|
Betriebsdruck |
Überdruck |
|
Betriebsdruck |
1 bar |
|
Wandstärke Böden |
4 mm |
|
Wandstärke Mantel/Zylinder |
4 mm |
|
Betriebstemperatur |
50 Grad Celsius |
|
Material / Beschaffenheit |
|
| Attribute | Wert |
|
Werkstoff Doppelmantel |
V2A (1.4301) |
|
Isolierung |
|
| Attribute | Wert |
|
Isolierung |
1 |
|
Isolierstärke |
50 mm |
|
Isolier-Material |
Mineralwolle |
|
Material Isoliermantel |
Aluminium |
|
Isoliermantel |
verschraubt/genietet |
|
Anmerkungen |
Behälterisolierung außen teilweise leicht beschädigt |
|
Ausstattung |
|
| Attribute | Wert |
|
Standform |
Profilfüße |
|
Anzahl |
3 |
|
Befestigung |
fest |
|
Unterboden |
1 Auslaufrohr NW 50 mit T-Stück endend mit 2 Flanschen NW 50 |
|
Bodenart oben |
Klöpperboden |
|
Bodenart unten |
Klöpperboden |
|
Zeichnung vorhanden |
1 |
|
Behälterdokumentation vorhanden |
ansonsten gem. Zeichnung |
|
Rührwerk |
|
| Attribute | Wert |
|
Rührwerk |
1 |
|
Klassifikation |
Schnellläufer |
|
Anzahl |
1 |
|
Einbau |
von oben |
|
Geschwindigkeit |
1000 Umdrehungen/Mute |
|
Rührwerkleistung |
095 kW |
|
Anzahl der Rührwerkebenen |
1 |