Gebrauchtbehälter

js_function_caller_helper

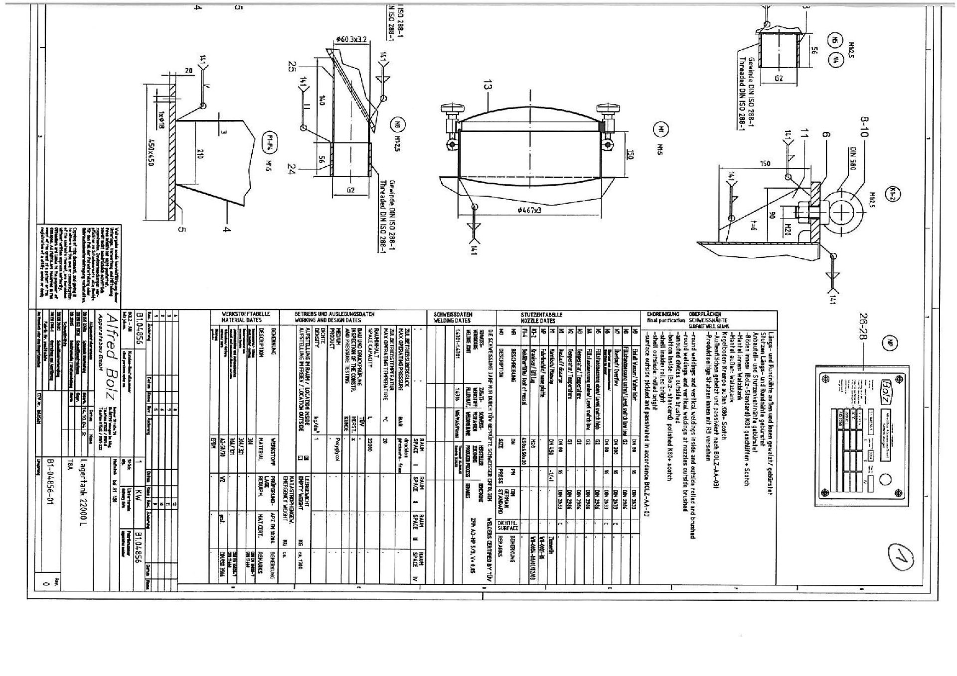
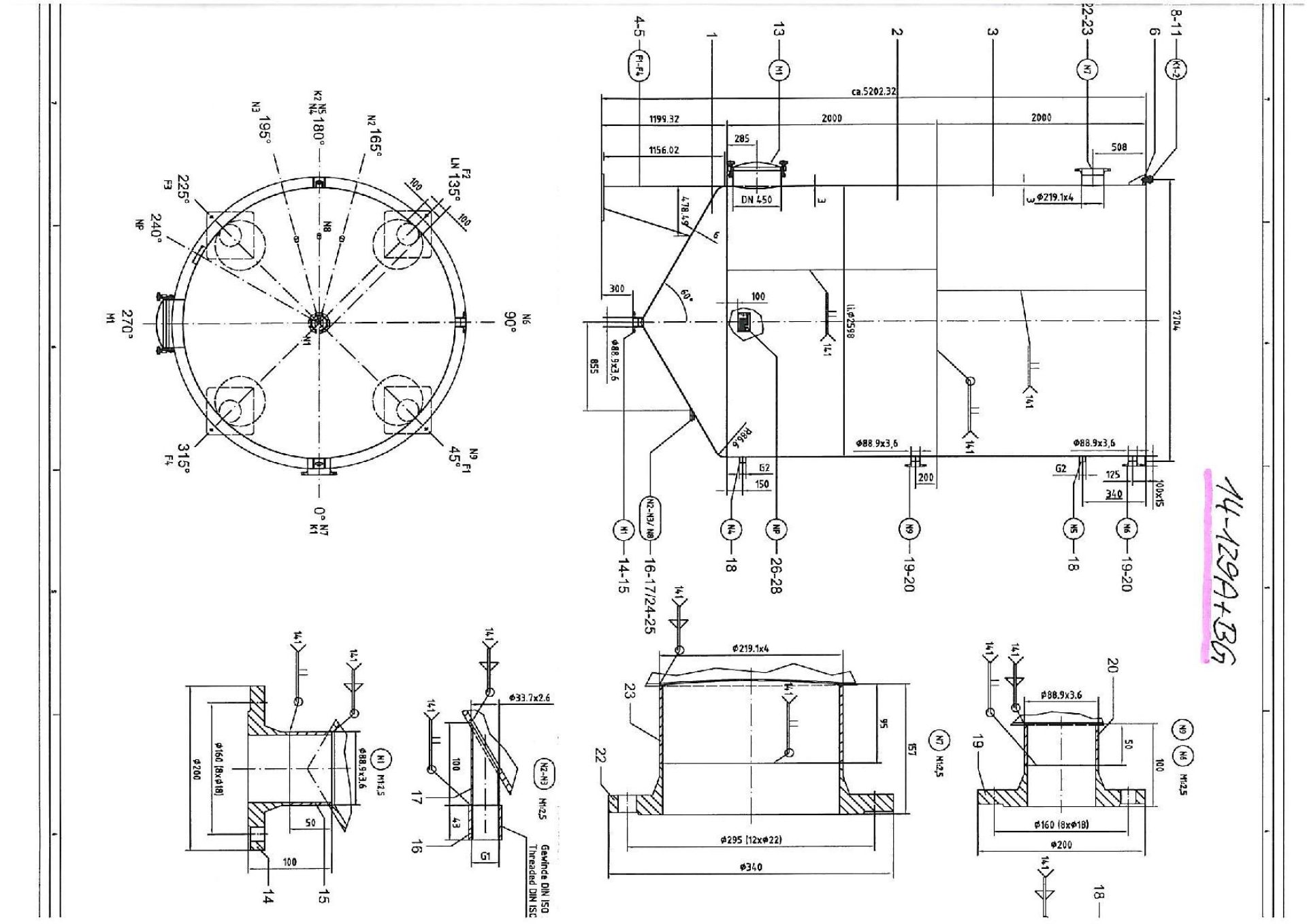
14-129A+BG

 
 
js_function_caller_helper
 

Rührwerkbehälter aus Edelstahl (V2A), WSt 1.4301

Attribute Wert
Artikelnummer
14-129A+BG
Kurzbezeichnung 1

Rührwerkbehälter aus Edelstahl (V2A), WSt 1.4301

Technische Daten / Maße
Attribute Wert
Stückzahl
1
Volumen
22000 Liter
Behälterart
Rührwerksbehälter
Zustand
gebraucht
Bauform
stehend
Innenbeschichtung
keine/roh
Durchmesser außen
2600 mm
Zylindrische Höhe
4000 mm
Gesamthöhe
5200 mm
Gewicht
1750 kg
Spezifisches Gewicht des Mediums
1 to/m³
Betriebsdruck
drucklos
Wandstärke Unterboden
6 mm
Wandstärke Oberboden
4 mm
Wandstärke Mantel/Zylinder
3 mm
Bodenfreiheit
300 mm
Betriebstemperatur
20 Grad Celsius
Ausstattung
Attribute Wert
Standform
konische Füße
Anzahl
4
Befestigung
fest
Unterboden

2 Gewindestutzen 1“ für Temperaturanzeige
1 Gewindestutzen 2“ für Füllstandsmessung
ansonsten gem. Zeichnung 1 + 2 (der ursprünglich von Fa. Bolz gebaute Behälter wurde von Fa. Möschle umgebaut, mit Deckel versehen und Rührwerk eingebaut)

Bodenart oben
Flachboden
Bodenart unten
Konusboden
Zeichnung vorhanden
1
Skizze vorhanden
1
Behälterdokumentation vorhanden
Ansonsten gemäß Zeichnung / Skizze
Anmerkungen

Fußplatte 450x450

am Behälterinnenmantel:
3 eingeschweißte Strömungsbrecher

in der Mitte der Traverse:
1 Rührwerkstutzen mit Rührwerk Fabr. Lightnin, Modell 160-4, 4 kW mit 56 U/Min., Rührwelle mit 3 Rührflügeln über 3 Ebenen
neben der Traverse, auf Deckel:
1 Flanschstutzen NW 50 für Rücklauf
1 Flanschstutzen DN 100 für Entlüftung
5 Gewindestutzen 2“

Rührwerk
Attribute Wert
Rührwerk
1
Klassifikation
Langsamläufer
Anzahl
1
Einbau
von oben
Geschwindigkeit
56 Umdrehungen/Mute
Rührwerkleistung
4 kW
Anzahl der Rührwerkebenen
3
Hersteller
Lightnin England
Typ
Model 160-4