Druckbehälter aus Stahl, epoxidharzbeschichtet
| Attribute | Wert |
|
Artikelnummer |
16-00172GLE |
|
Kurzbezeichnung 1 |
Druckbehälter aus Stahl, epoxidharzbeschichtet |
|
Technische Daten / Maße |
|
|---|---|
| Attribute | Wert |
|
Volumen |
5000 Liter |
|
Behälterart |
Drucktank |
|
Zustand |
gebraucht |
|
Lebensmittelgeeignet |
1 |
|
Bauform |
liegend oberirdisch |
|
Anmerkung |
Sektdrucktank |
|
Innenbeschichtung |
beschichtet |
|
Innenauskleidung - Umfang |
vollständig |
|
Spezifikation |
Epoxidharzbeschichtet |
|
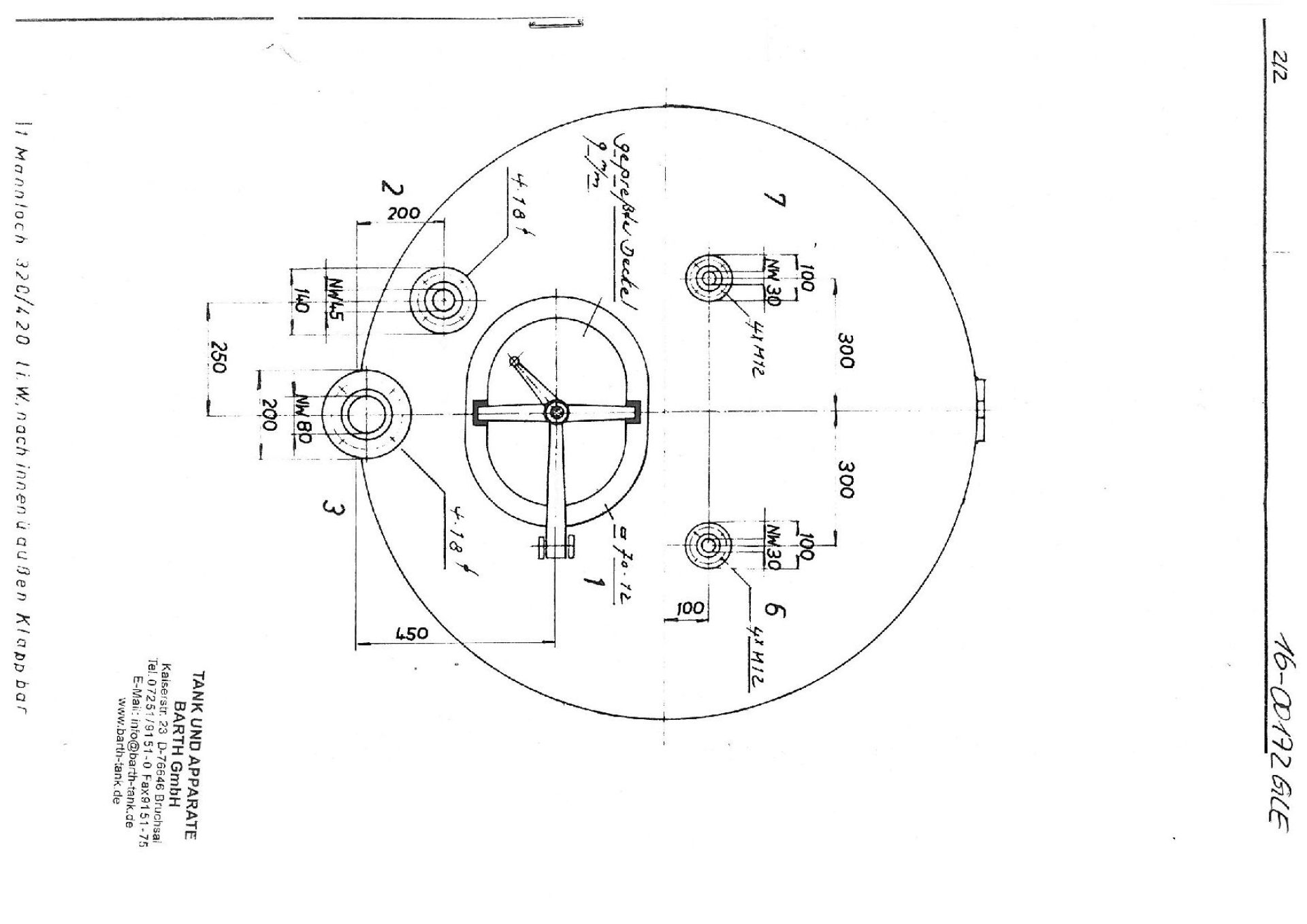
Durchmesser außen |
1400 mm |
|
Zylindrische Länge |
2930 mm |
|
Gesamtlänge |
3550 mm |
|
Betriebsdruck |
Überdruck |
|
Betriebsdruck |
8 bar |
|
Prüfdruck |
104 bar |
|
Wandstärke Böden |
7 mm |
|
Wandstärke Mantel/Zylinder |
6 mm |
|
Ausstattung |
|
| Attribute | Wert |
|
Unterboden |
1 Auslaufstutzen NW 80 |
|
Bodenart |
Klöpperboden |
|
Behälterdokumentation vorhanden |
ansonsten gem. Zeichnung |
|
Sonstige |
Behälter mit Papieren |