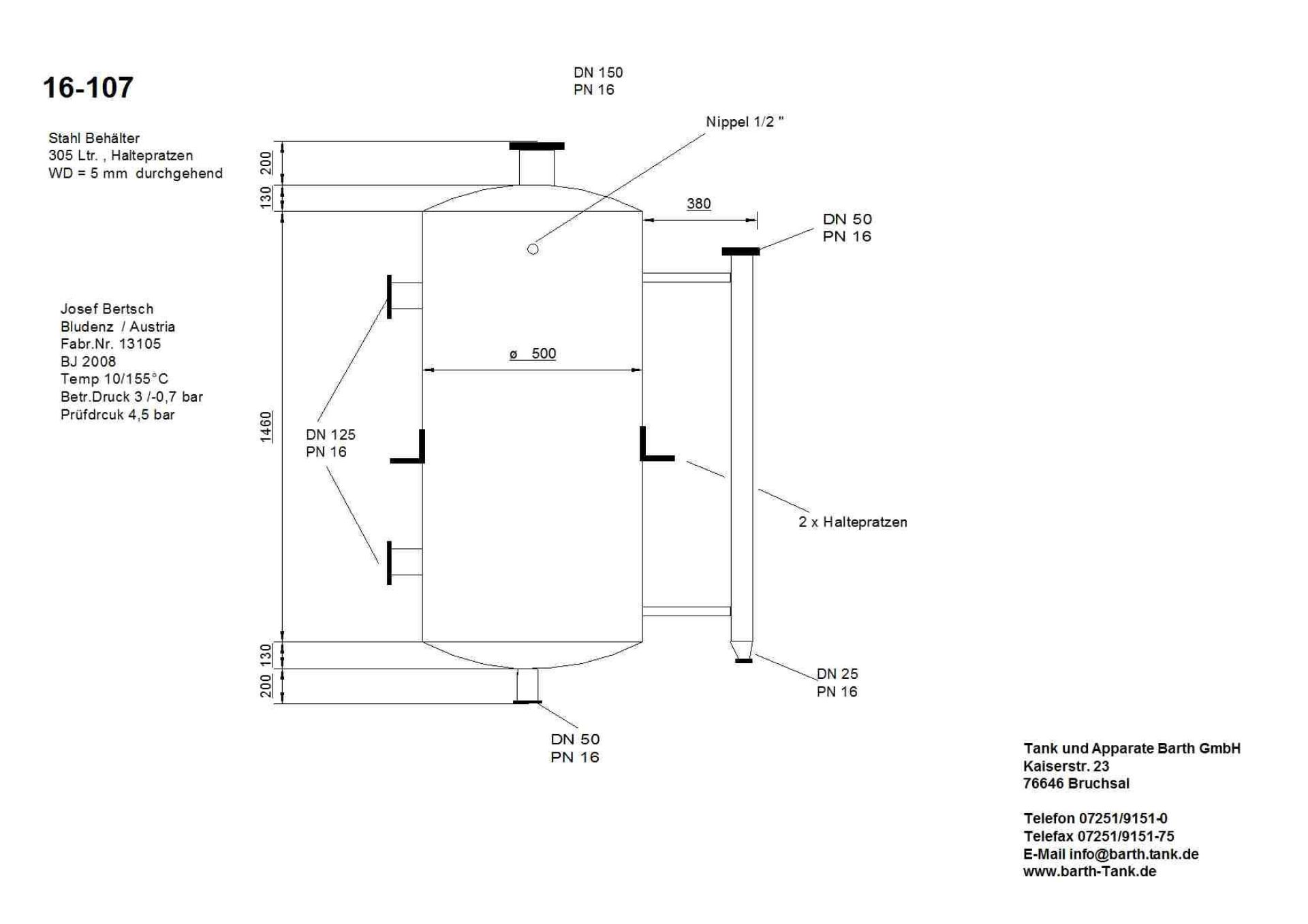
Druckbehälter aus Stahl, - ungebraucht -
| Attribute | Wert |
|
Artikelnummer |
16-107G |
|
Kurzbezeichnung 1 |
Druckbehälter aus Stahl, - ungebraucht - |
|
Technische Daten / Maße |
|
|---|---|
| Attribute | Wert |
|
Stückzahl |
1 |
|
Volumen |
305 Liter |
|
Behälterart |
Drucktank |
|
Zustand |
ungebraucht |
|
Bauform |
hängend |
|
Oberflächenbehandlung außen |
lackiert |
|
Farbe Lack |
Weiß |
|
Durchmesser innen |
500 mm |
|
Zylindrische Höhe |
1460 mm |
|
Gesamthöhe |
2120 mm |
|
Betriebsdruck |
Überdruck/Unterdruck |
|
Betriebsdruck |
- 0,7 bar |
|
Prüfdruck |
45 bar |
|
Wandstärke Böden |
5 mm |
|
Wandstärke Mantel/Zylinder |
5 mm |
|
Betriebstemperatur |
155 Grad Celsius |
|
Ausstattung |
|
| Attribute | Wert |
|
Standform |
Aufhängepratzen |
|
Anzahl |
2 |
|
Befestigung |
fest |
|
Unterboden |
1 Auslaufstutzen NW 50 |
|
Bodenart oben |
Klöpperboden |
|
Bodenart unten |
Klöpperboden |
|
Skizze vorhanden |
1 |
|
Behälterdokumentation vorhanden |
ansonsten gem. Skizze |