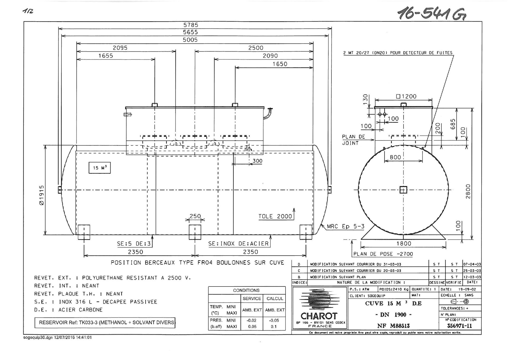
Lagerbehälter aus Edelstahl/Stahl, ähnlich 6608/2
| Attribute | Wert |
|
Artikelnummer |
16-541G |
|
Kurzbezeichnung 1 |
Lagerbehälter aus Edelstahl/Stahl, ähnlich 6608/2 |
|
Technische Daten / Maße |
|
|---|---|
| Attribute | Wert |
|
Stückzahl |
1 |
|
Volumen |
15000 Liter |
|
Behälterart |
Lagerbehälter |
|
Zustand |
gebraucht |
|
Bauform |
liegend unterirdisch |
|
DIN-Behälter |
ähnlich 6608/2 |
|
Oberflächenbehandlung außen |
Polyurethanbeschichtet |
|
Durchmesser außen |
1900 mm |
|
Gesamtlänge |
5630 mm |
|
Gewicht |
3500 kg |
|
Betriebsdruck |
drucklos |
|
Wandstärke Mantel/Zylinder |
5 innen, 3 außen mm |
|
Material / Beschaffenheit |
|
| Attribute | Wert |
|
Material Innenmantel |
V4A (1.4401) |
|
Werkstoff Doppelmantel |
Stahl |
|
Werkstoff Füße |
Stahl |
|
Oberfläche außen |
Polyurethanbeschichtet |
|
Ausstattung |
|
| Attribute | Wert |
|
Standform |
Sattelfüße |
|
Anzahl |
3 |
|
Befestigung |
fest |
|
Bodenart |
Klöpperboden |
|
Zeichnung vorhanden |
1 |
|
Behälterdokumentation vorhanden |
ansonsten gem. Zeichnung |