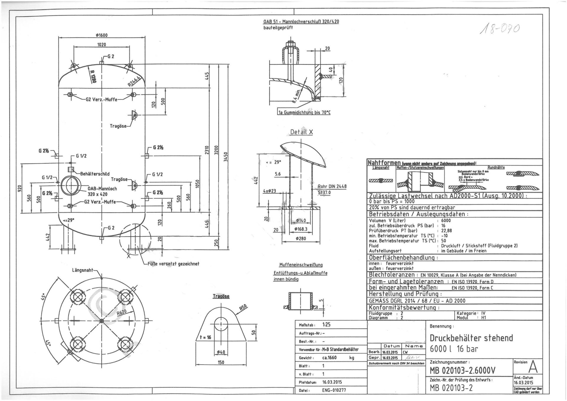
Druckluftbehälter, Stahl verzinkt
| Attribute | Wert |
|
Artikelnummer |
18-070G |
|
Kurzbezeichnung 1 |
Druckluftbehälter, Stahl verzinkt |
|
Technische Daten / Maße |
|
|---|---|
| Attribute | Wert |
|
Stückzahl |
1 |
|
Volumen |
6000 Liter |
|
Behälterart |
Drucktank |
|
Zustand |
gebraucht |
|
Bauform |
stehend |
|
Anmerkung |
Druckluftbehälter |
|
Durchmesser innen |
1600 mm |
|
Zylindrische Höhe |
2310 mm |
|
Gesamthöhe |
3450 mm |
|
Gewicht |
1660 kg |
|
Betriebsdruck |
16 bar |
|
Prüfdruck |
2288 bar |
|
Betriebstemperatur |
50 Grad Celsius |
|
Material / Beschaffenheit |
|
| Attribute | Wert |
|
Oberfläche außen |
verzinkt |
|
Oberfläche innen |
verzinkt |
|
Ausstattung |
|
| Attribute | Wert |
|
Standform |
Rohrfüße |
|
Anzahl |
4 |
|
Befestigung |
fest |
|
Unterboden |
1 Muffe 2“ |
|
Bodenart oben |
Klöpperboden |
|
Bodenart unten |
Klöpperboden |
|
Behälterdokumentation vorhanden |
ansonsten gem. Zeichnung + Foto |