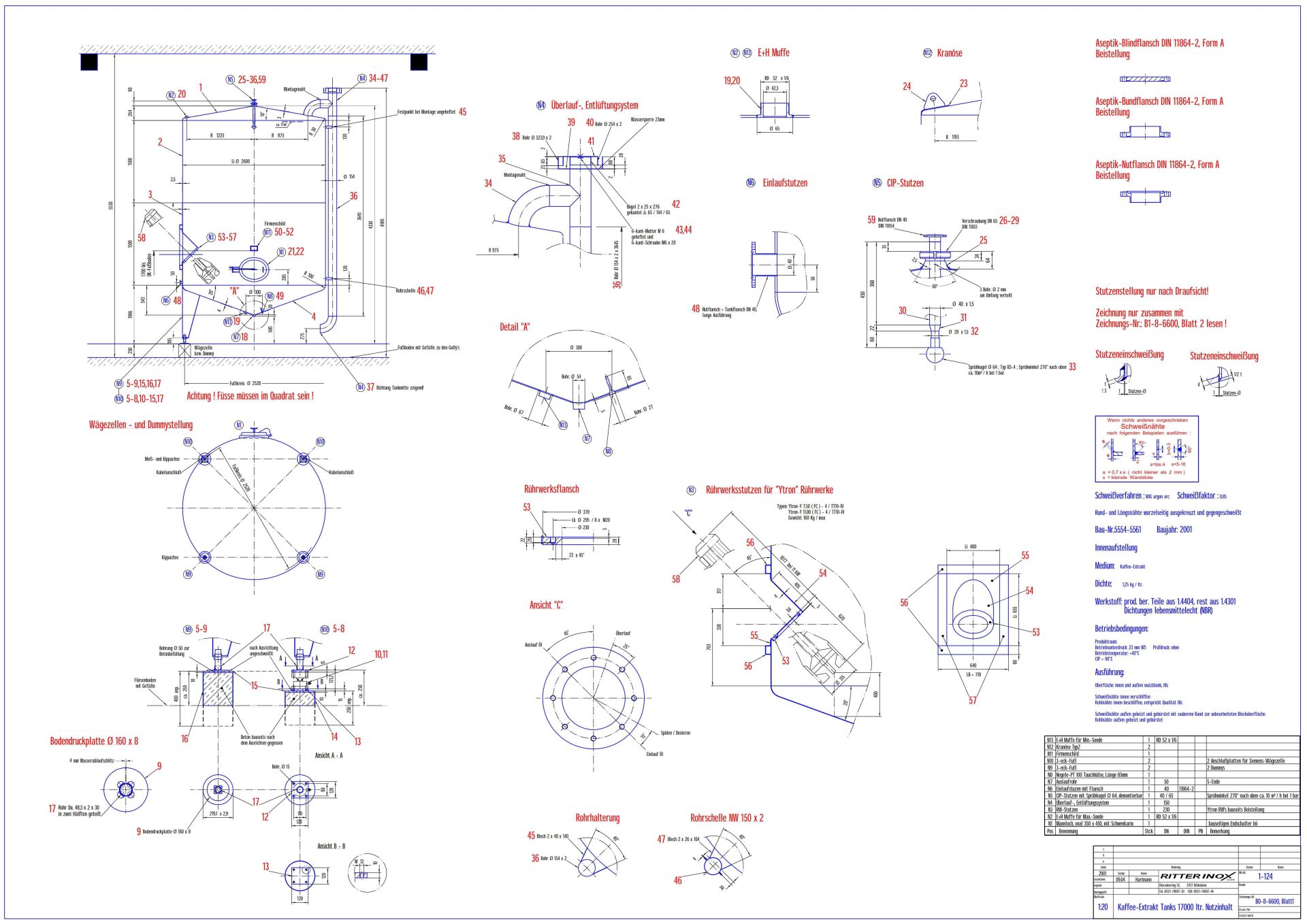
Rührwerkbehälter aus Edelstahl (V4A), WSt. 1.4404
| Attribute | Wert |
|
Artikelnummer |
18-178A+BGL |
|
Kurzbezeichnung 1 |
Rührwerkbehälter aus Edelstahl (V4A), WSt. 1.4404 |
|
Technische Daten / Maße |
|
|---|---|
| Attribute | Wert |
|
Stückzahl |
2 |
|
Volumen |
17000 Liter |
|
Behälterart |
Rührwerksbehälter |
|
Zustand |
gebraucht |
|
Lebensmittelgeeignet |
1 |
|
Bauform |
stehend |
|
Durchmesser innen |
2600 mm |
|
Zylindrische Höhe |
3000 mm |
|
Gesamthöhe |
4650 mm |
|
Betriebsdruck |
drucklos |
|
Wandstärke Unterboden |
4 mm |
|
Wandstärke Oberboden |
3 mm |
|
Wandstärke Mantel/Zylinder |
4 mm |
|
Material / Beschaffenheit |
|
| Attribute | Wert |
|
Werkstoff Füße |
Edelstahl |
|
Schweißnähte innen verschliffen |
1 |
|
Ausstattung |
|
| Attribute | Wert |
|
Standform |
Kalottenfüße |
|
Anzahl |
4 |
|
Befestigung |
fest |
|
Füße höhenverstellbar |
1 |
|
Unterboden |
1 Muffe 1/2“ |
|
Bodenart oben |
Kegelboden |
|
Bodenart unten |
Kegelboden |
|
Zeichnung vorhanden |
1 |
|
Behälterdokumentation vorhanden |
ansonsten gem. Skizze u. Fotos |
|
Rührwerk |
|
| Attribute | Wert |
|
Rührwerk |
1 |
|
Art des Rührwerks |
Leitstrahlmischer |
|
Klassifikation |
Schnellläufer |
|
Anzahl |
1 |
|
Einbau |
seitlich |
|
Geschwindigkeit |
1470 Umdrehungen/Mute |
|
Rührwerkleistung |
1 x 7,5 + 1 x 11 kW |
|
Hersteller |
YTRON |