Druckbehälter aus Stahl, Druckluftwasserkessel
| Attribute | Wert |
|
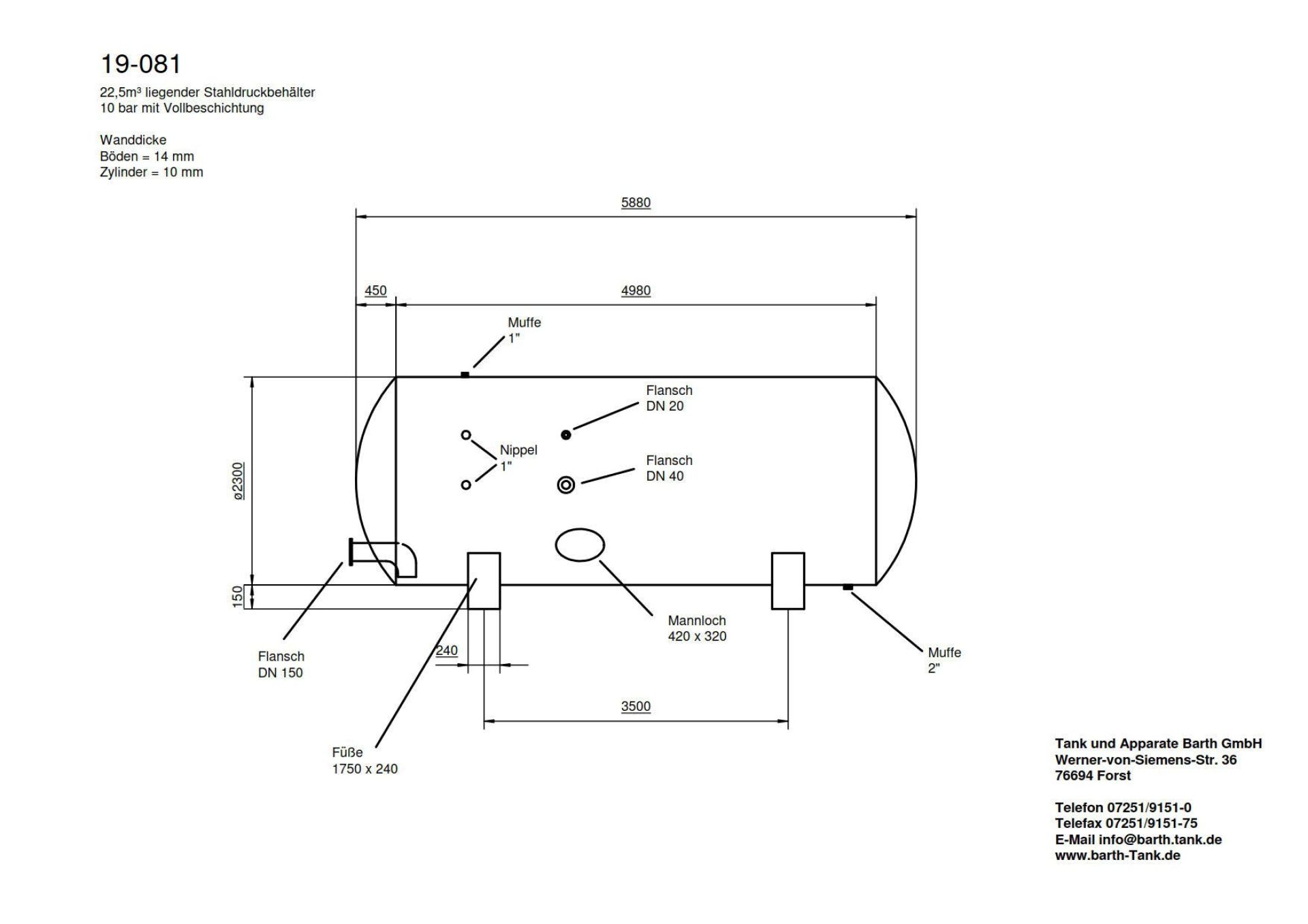
Artikelnummer |
19-081G |
|
Kurzbezeichnung 1 |
Druckbehälter aus Stahl, Druckluftwasserkessel |
|
Technische Daten / Maße |
|
|---|---|
| Attribute | Wert |
|
Stückzahl |
1 |
|
Volumen |
22500 Liter |
|
Behälterart |
Drucktank |
|
Zustand |
gebraucht |
|
Bauform |
liegend oberirdisch |
|
Anmerkung |
1 Mannloch |
|
Innenbeschichtung |
beschichtet |
|
Innenauskleidung - Umfang |
vollständig |
|
Oberflächenbehandlung außen |
lackiert |
|
Farbe Lack |
rot |
|
Durchmesser außen |
2300 mm |
|
Zylindrische Länge |
4980 mm |
|
Gesamtlänge |
5880 mm |
|
Gesamthöhe |
2450 mm |
|
Betriebsdruck |
10 bar |
|
Wandstärke Unterboden |
14 mm |
|
Wandstärke Oberboden |
14 mm |
|
Wandstärke Mantel/Zylinder |
10 mm |
|
Betriebstemperatur |
50 Grad Celsius |
|
Ausstattung |
|
| Attribute | Wert |
|
Standform |
Sattelfüße |
|
Anzahl |
2 |
|
Befestigung |
fest |
|
Breite |
240 mm |
|
Länge |
1750 mm |
|
Fußhöhe |
150 mm |
|
Fußmittenabstand |
3500 mm |
|
Bodenart |
Klöpperboden |
|
Behälterdokumentation vorhanden |
ansonsten gem. Skizze u. Fotos |